1
/
of
1
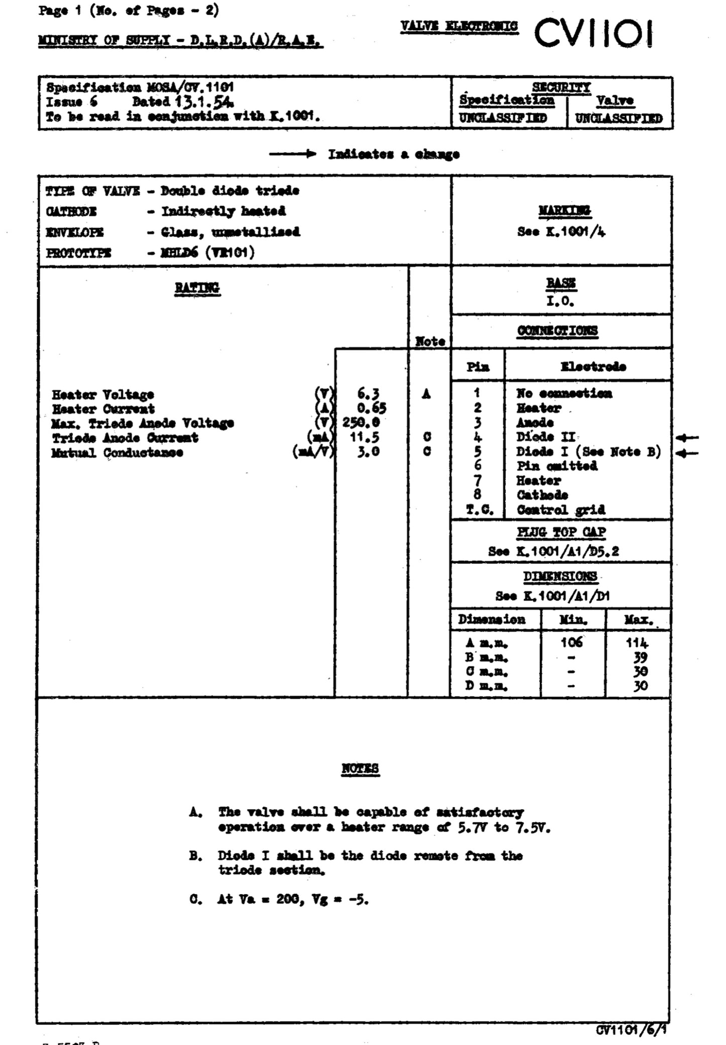
CV1101, WHITE BOX, MHLD6, VR101 AS USED IN R1155
CV1101, WHITE BOX, MHLD6, VR101 AS USED IN R1155
MARCONI
Regular price
£14.00 GBP
Regular price
Sale price
£14.00 GBP
Quantity
Couldn't load pickup availability
CV1101, WHITE BOX, MHLD6, VR101 AS USED IN R1155
Share
